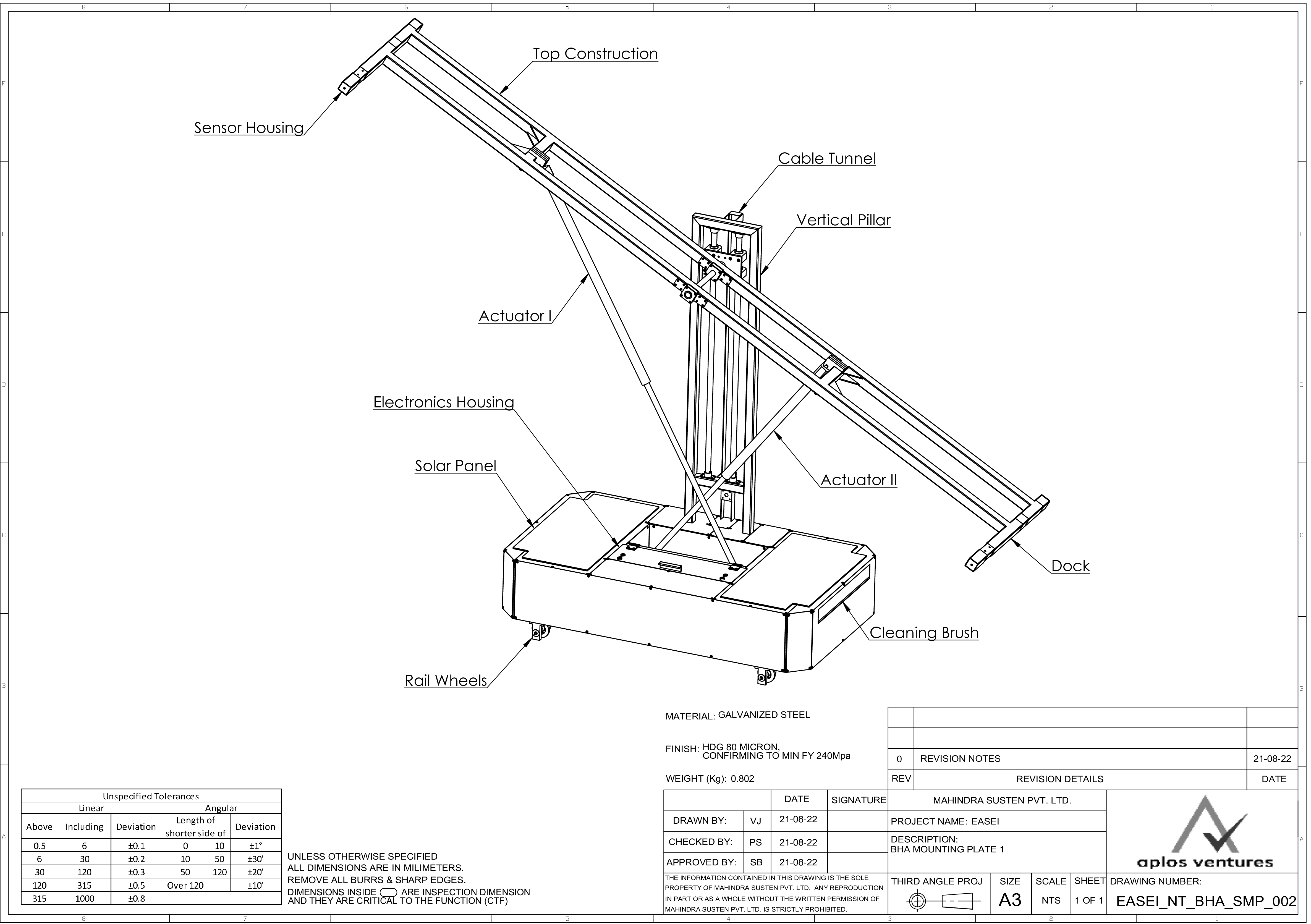
Transporter
role / services
Design & Development
location
India
year
2022

Transporter
Transporter for robotic solar panel cleaner, truly first of its kind. Autonomous transportation operation of the cleaner from one array of solar panels to the next, singlehandedly reducing the cost of the whole solar plant. Modular design developed to withstand the most extrime sand storms.









